咨询电话: 18101452882
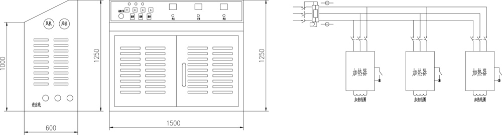
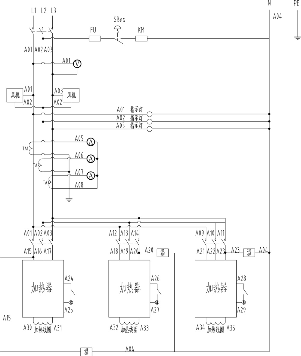
            1. ZH系列组合电磁加热器

              操作台式组合控制柜

              作者:中辉电器     来源:www.yzzhdq.cn    发布时间:2018/3/31 2:46:04

              操作台式组合控制柜

              操作台式组合控制柜

              技术参数(具体配置和要求可定做)

              长(MM

              1450MM

              电磁加热台数

              2-3(台)

              宽(MM

              550MM

              加热器功率

              30-150KW

              高(MM

              1250MM

              接线方式

              航空插头

              平面高(MM)

              1000MM

              控开

              施耐德

              柜门(MM)

              2.0MM

              断路器

              LG

              背板(MM)

              1.5MM

              急停开关

              正泰

              安装板(MM)

              2.5MM

              温控

              欧姆龙

              表面处理

              防水浸腊及粉末底漆处理

              急停开关

              正泰

              防护等

              IP55

              电流表电压表

              正泰

              排线标准

              国标

              旋钮开关

              施耐德

              控制电压

              380V

              电源指示灯

              施耐德



              上一篇: 立式四路控制柜

              下一篇:暂无信息

              相关推荐

                没有资料

              推荐产品

              微信咨询

              获取报价

              销售热线

              销售热线:18101452882